Rockerhill containerized ROプラントは、自己完結型のターンキーシステムであり、外出中または恒久的な水処理プラントとして機能します。そのため、現場で到着してから1日以内に高品質の製品のポンプを開始できます。したがって、私たちのコンテナ化されたRO植物は注文するように作られています。つまり、システムは、ROプラントが必要とする可能性のあるすべての設備を含む水処理要件に特に調整されます。
Rockerhill典型的なコンテナ化されたRO植物プロセス

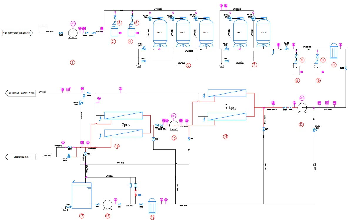
Rockerhill典型的なコンテナ化されたROプラント構成

コンテナ化されたROプラントの利点
第一に、工業用容器のRO植物の利点を取ります。金属、鉱物、化学汚染物質の除去、高回収率、および層状の設計を頑丈にし、携帯用に携帯用に、飲料水が必要な世界のどこでも輸送できるようにします。これらすべての機能は、コンテナ化されたシステムに固有の利点のコレクションに加えて、あなたのものです。
コンテナ化されたROプラントの利点
第一に、工業用容器のRO植物の利点を取ります。金属、鉱物、化学汚染物質の除去、高回収率、および層状の設計を頑丈にし、携帯用に携帯用に、飲料水が必要な世界のどこでも輸送できるようにします。これらすべての機能は、コンテナ化されたシステムに固有の利点のコレクションに加えて、あなたのものです。
コンテナ化された逆浸透植物の利点:
- コンテナ化された設計とエンジニアリング、サイトのコストと進捗削減。
- 完全な工場受け入れテスト(FAT)達成しやすい。
- 高い回復率。
- PLCコントロールとリモートコントロールモジュールを備えた高自動化。
- バルブ、ポンプ、継手の国際ブランドを統合できます。
スペース職業が少ないコンパクトフットプリント。
Rockerhillコンテナ化された逆浸透植物の作業校長
Rockerhillコンテナ化された逆浸透植物には、マルチメディア前処理タンク、吸水剤、逆吸収性投与システム、解液性投与システム、半透過性逆浸透膜、オゾン発電機および紫外線浸透液、または伸縮処理としての除亜塩素化を備えた逆浸透ユニットが含まれます。したがって、これらのROマシンは、マルチメディアの予定体を介して飼料水を送信して10ミクロンを超える粒子を除去することにより、逆浸透の新しい技術を適用します。その後、水は反その吸収性の化学物質を介して、ROマシンの膜に損傷を引き起こす可能性のある硬度ファウリングを制御します。
Rockerhil lconteainerized ROシステムは前処理しています。
前処理の選択肢には、硬度、塩素、臭気、色、鉄、硫黄を除去する能力があります。その後、水は逆浸透ユニットに続きます。そこでは、高圧ポンプが高濃度の溶液に極度の圧力をかけ、プレフィルターが捕まえることができない残りの塩、ミネラル、不純物を分離します。塩、ミネラル、およびその他の不純物が反対側の排水溝に排出され、新鮮で飲料水が膜の低圧端から出てきます。最後に、水はUV滅菌剤(または塩素化後)を通過して、まだ水中に存在する細菌や微生物を殺します。
人気ラベル: コンテナ化されたROプラント、中国のコンテナ化されたROプラントメーカー


